2.00MM (0.079'') ทางลาด FEMALE HEADER
SPECIFICATION
MATERIALS (ติดต่อ): สารเรืองแสงสีบรอนซ์ทองหรือดีบุก (over Nickel) เสร็จ
MATERIALS (เรือน): มาตรฐานหรืออุณหภูมิสูงพลาสติก, อันดับ UL94V \\ มาตรฐาน RoHSn0-
CURRENT: 2A ต่อการติดต่อ
MAXIMUM Voltage: 500V AC
โปรดติดต่อ Resistance: 20mΩMax
INSULATION Resistance: 1,000Ωนาที
OPERATING อุณหภูมิ:40 ℃ถึง 105 ℃-
Max ระยะเวลาการประมวลผล .: 230 ℃ 3060 วินาที (260 ℃เป็นเวลา 10 วินาที)~
DURABILITY: 300 รอบผสมพันธุ์ (ทอง) หรือ 50 รอบการผสมพันธุ์ (ดีบุก)
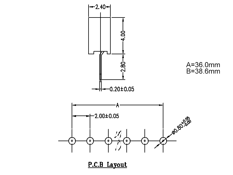
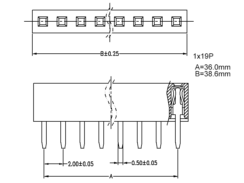
DRAWING
Package ในเทป:ประเภทของแพคเกจ สำหรับการเชื่อมต่อ SMT ปกป้องหมุดจากการเปลี่ยนรูป
Convenient สำหรับการชุมนุมโดยอัตโนมัติและการประมวลผลรถกระบะและประหยัดค่าใช้จ่ายแรงงาน
Package ในท่อ:.ประเภทของแพคเกจเหมาะสำหรับหลายประเภทของการเชื่อมต่อตามความต้องการของวิธีการบรรจุภัณฑ์นี้ ดีกว่าปกป้องหมุดจากการเปลี่ยนรูป
Package ในถุง PE:.เป็นส่วนใหญ่C บรรจุภัณฑ์ommon เหมาะสำหรับผลิตภัณฑ์ wher&101; เข็มจะไม่พิการได้อย่างง่ายดายข้อเสียคือว่าการป้องกันสินค้าที่มีขนาดเล็กข้อดีคือประหยัดค่าใช้จ่าย#
Package ในบรรจุภัณฑ์พลาสติกกล่อง:.Commonly ใช้บรรจุภัณฑ์บิต คล้ายกับบรรจุภัณฑ์หลอดตุ่มสามารถป้องกันตะเข็บสินค้า.
What เป็นส่วนหัวของเพศหญิง (ซ็อกเก็ตหัว)?
หญิงHeader คือ a พิมพ์ของตัวเชื่อมต่อ มันเป็น a ชนิดของการเชื่อมต่ออุปกรณ์สากลที่ใช้กันอย่างแพร่หลายในอุปกรณ์อิเล็กทรอนิกส์, เครื่องใช้ไฟฟ้า, เครื่องมือเมตร ฯลฯ
Different รูปร่างของการติดต่อซ็อกเก็ต:
โดยทั่วไปมีสองประเภทของอาคารสำหรับส่วนหัวของหญิงชุมนุม หนึ่งคือ Y shaped ขั้วมันมีสองจุดติดต่อสำหรับการเชื่อมต่อส่วนหัวของการจับคู่ขาเราจะใช้ประเภทนี้ในขณะที่การประกอบ-สูง P LA\\ หัวหญิงnstic และอื่น ๆ ที่เป็น Ushaped สถานีสามจุดติดต่อทำให้การเชื่อมต่อที่ดีในขณะที่-pairingกับส่วนหัวขาสถานีนี้มักจะถูกนำมาใช้สำหรับการประกอบต่ำเขา \\ พรรณี\\ หัวหญิงพลาสติกnght.
What เป็นหน้าที่ของส่วนหัวซ็อกเก็ตหรือไม่
ฟังก์ชั่นของมันคือการทำหน้าที่เป็นสะพานเชื่อมระหว่างวงจรที่ถูกบล็อกหรือแยกได้ในวงจร งานในการดำเนินการในปัจจุบันหรือการส่งสัญญาณมักจะใช้กับเมนบอร์ดในรูปแบบคณะกรรมการ ใน board เชื่อมต่อ; หรือกับอุปกรณ์อิเล็กทรอนิกส์เทียมปลายมีการใช้กันในรูปแบบคณะกรรมการ ใน \\ เชื่อมต่อnwire; พวกเขายังสามารถใช้เป็นอิสระสำหรับบอร์ด ใน-board เชื่อมต่อ.-----how หลายรุ่นไม่เรามีเกี่ยวกับส่วนหัวซ็อกเก็ต
เนื่องจากข้อกำหนดที่ใช้โดยผลิตภัณฑ์อิเล็กทรอนิกส์ที่แตกต่างกันไม่เหมือนกันนอกจากนี้ยังมีความหลากหลายของรูปแบบการส่วนหัวของเพศหญิง ผลิตภัณฑ์ที่สามารถแบ่งออกเป็น 2.54 เดือน, 2.00mm, 1.27mm, 1.00mm, 0.8mm ตามระยะห่าง (เว้นวรรคพิเศษอื่น ๆ นอกจากนี้ยังสามารถปรับแต่งตามความต้องการ). According จำนวนแถวที่มีหญิงแถวเดียว ส่วนหัวสองแถวส่วนหัวหญิงสามแถวส่วนหัวของเพศหญิงและอื่น ๆ ตามการใช้งานแพคเกจที่มี SMT แพทช์เสียบ in กรมทรัพย์สินทางปัญญา (อินไลน์ bend). ชัยนาทเวลา \\ เดียวกันเพื่อที่จะให้ความร่วมมือกับส่วนหัวขาที่สอดคล้องกัน ขนาดที่แตกต่างกันของส่วนหัวของหญิง \\ ก็จะมองปรับแต่ง -/

ชื่อ: Haimei Liang
ตำแหน่งงาน: sales manager
แผนก: Sales Department
โทรศัพท์ บริษัท: +86 0769 83450370
E-mail: ติดต่อเรา
โทรศัพท์มือถือ: +86 18929181819
เว็บไซต์: dgwin.daiinfo.com
ที่อยู่: No.67,Dongshen Road,Qiaotou Town,Dongguan City,China